next up previous
Next: Other approaches Up: Network Intrusion Detection: Evasion, Previous: Network Intrusion Detection: Evasion,

Introduction

A fundamental problem for network intrusion detection systems (NIDSs) that passively monitor a network link is the ability of a skilled attacker to evade detection by exploiting ambiguities in the traffic stream as seen by the NIDS [14]. Exploitable ambiguities can arise in three different ways:

(i)
The NIDS may lack complete analysis for the full range of behavior allowed by a particular protocol. For example, an attacker can evade a NIDS that fails to reassemble IP fragments by intentionally transmitting their attack traffic in fragments rather than complete IP datagrams. Since IP end-systems are required to perform fragment reassembly, the attack traffic will still have the intended effect at the victim, but the NIDS will miss the attack because it never reconstructs the complete datagrams.

Of the four commercial systems tested by Ptacek and Newsham in 1998, none correctly reassembled fragments [14].

Also note that an attacker can evade the NIDS even if the NIDS does perform analysis for the protocol (e.g., it does reassemble fragments) if the NIDS's analysis is incomplete (e.g., it does not correctly reassemble out-of-order fragments).

(ii)
Without detailed knowledge of the victim end-system's protocol implementation, the NIDS may be unable to determine how the victim will treat a given sequence of packets if different implementations interpret the same stream of packets in different ways. Unfortunately, Internet protocol specifications do not always accurately specify the complete behavior of protocols, especially for rare or exceptional conditions. In addition, different operating systems and applications implement different subsets of the protocols.

For example, when an end-system receives overlapping IP fragments that differ in the purported data for the overlapping region, some end-system's may favor the data first received, others the portion of the overlapping fragment present in the lower fragment, others the portion in the upper fragment.

(iii)
Without detailed knowledge of the network topology between the NIDS and the victim end-system, the NIDS may be unable to determine whether a given packet will even be seen by the end-system. For example, a packet seen by the NIDS that has a low Time To Live (TTL) field may or may not have sufficient hop count remaining to make it all the way to the end-system [12]; see below for an example.

If the NIDS believes a packet was received when in fact it did not reach the end-system, then its model of the end-system's protocol state will be incorrect. If the attacker can find ways to systematically ensure that some packets will be received and some not, the attacker may be able to evade the NIDS.

The first of these shortcomings can in principle be addressed by a sufficiently diligent NIDS implementation, making sure that its analysis of each protocol is complete. However, the other two shortcomings are more fundamental: in the absence of external knowledge (end-system implementation details, topology details), no amount of analyzer completeness within the NIDS can help it correctly determine the end-system's ultimate processing of the packet stream. On the other hand, the attacker may be able to determine these end-system characteristics for a particular victim by actively probing the victim, perhaps in quite subtle (very hard to detect) ways. Thus, an attacker can craft their traffic so that, whatever algorithms the NIDS analyzer uses, it will err in determining how the end-system behaves.


  
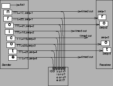
Figure 1: Inconsistent TCP ``retransmissions''
\begin{figure}
\centerline{\psfig{figure=tcp-inconsistent.small.ps,width=3.2in}}
\vspace{.05in}\end{figure}

Figure 1 shows an example of an evasion attack that can exploit either of the last two shortcomings above. The attacker fakes a missing packet, then sends a sequence of TCP packets above the sequence hole that contains the attack, and also sends a sequence of TCP packets containing innocuous data for the same TCP sequence space.

For the moment, ignore the ``timed out'' packets and assume all of the packets on the left arrive at the victim. Even in this case, the NIDS needs to know precisely how the end-system will interpret the inconsistent ``retransmissions''--whether it will use ``n'' or ``r'' for sequence #1, ``o'' or ``i'' for sequence #2, etc.--when constructing the byte stream presented to the application. Unfortunately, different TCP stacks do different things in this error case; some accept the first packet, and some the second. There is no simple-and-correct rule the NIDS can use for its analysis.

In addition, the attacker may also be able to control which of the packets seen by the NIDS actually arrive at the end-system and which do not. In Figure 1, the attacker does so by manipulating the TTL field so that some of the packets lack sufficient hop count to travel all the way to the victim. In this case, to disambiguate the traffic the NIDS must know exactly how many forwarding hops lie between it and the victim.

One might argue that such evasive traffic or active probing will itself appear anomalous to the NIDS, and therefore the NIDS can detect that an attacker is attempting to evade it. However, doing so is greatly complicated by two factors. First, detection of an attempt at evasion degrades the precision of a NIDS's detection down from identifying the specifics of an attack to only being able to flag that an attack might possibly be in progress. Second, network traffic unfortunately often includes a non-negligible proportion of highly unusual, but benign, traffic, that will often result in false positives concerning possible evasion attempts. This is discussed in [12] as the problem of ``crud''; examples include inconsistent TCP retransmissions and overlapping inconsistent fragments.

In the above argument we assume the attacker is aware of the existence of the NIDS, has access to its source code (or can deduce the operation of its algorithms) and attack profile database, and that the attacker is actively trying to evade the NIDS. All of these are prudent or plausible assumptions; for example, already the cracker community has discussed the issues [5] and some evasion toolkits (developed by ``white hats'' to aid in testing and hardening NIDSs) have been developed [2]. Thus, we again emphasize the serious and difficult nature of this problem: unless steps are taken to address all three of the evasion issues discussed above, network intrusion detection based on passive monitoring of traffic will eventually be completely circumventable, and provide no real protection to sites relying on it.

In this paper we consider the viability of addressing the evasion-by-ambiguity problem by introducing a new network forwarding element called a traffic normalizer. The normalizer's job is to sit directly in the path of traffic into a site (a ``bump in the wire'') and patch up or normalize the packet stream to remove potential ambiguities. The result is that a NIDS monitoring the normalized traffic stream no longer needs to consider potential ambiguities in interpreting the stream: the traffic as seen by the NIDS is guaranteed unambiguous, thanks to the normalizer. For example, a normalizer processing the traffic shown in Figure 1 might replace the data in any subsequent inconsistent retransmissions with the data from the original version of the same sequence space, so the only text the NIDS (and the end-system) would see would be noct.


  
Figure 2: Typical locations of normalizer and NIDS
\begin{figure}
\centerline{\psfig{figure=location.ps,width={3.2in}}}
\vspace{.05in}\end{figure}

A normalizer differs from a firewall in that its purpose is not to prevent access to services on internal hosts, but to ensure that access to those hosts takes place in a manner that is unambiguous to the site's NIDS. Figure 2 shows the typical locations of the normalizer relative to the NIDS and the end-systems being monitored. We will refer to traffic traveling from the ``Internet'' to the ``Intranet'' as inbound, and to traffic in the other direction as outbound.

The basic idea of traffic normalization was simultaneously invented in the form of a protocol scrubber [8,13,17]. The discussion of the TCP/IP scrubber in [8] focuses on ambiguous TCP retransmission attacks like the one described above. The key distinctions between our work and TCP/IP scrubbers is that we attempt to develop a systematic approach to identifying all potential normalizations (we find more than 70, per Appendix A), and we emphasize the implications of various normalizations with regard to maintaining or eroding the end-to-end transport semantics defined by the TCP/IP protocol suite. In addition, we attempt to defend against attacks on the normalizer itself, both through state exhaustion, and through state loss if the attacker can cause the normalizer or NIDS to restart (the ``cold start'' problem, per § 4.1).

In the next section we discuss other possible approaches for addressing the NIDS ambiguity problem. In § 3 we look at a number of tradeoffs in the design of a normalizer, and in § 4 two important practical considerations. § 5 first presents a systematic approach to discovering possible ambiguities in a protocol as seen by a network analyzer and then applies this approach to analyzing IP version 4. In § 6 we present examples of particularly illuminating normalizations for TCP, including an ambiguity problem that normalization cannot solve. We then discuss in § 7 a user-level normalizer called norm, which our performance measurements indicate should be able to process about 100,000 pkts/sec if implemented in the kernel.


next up previous
Next: Other approaches Up: Network Intrusion Detection: Evasion, Previous: Network Intrusion Detection: Evasion,
Vern Paxson
2001-05-22